EN CN
JBSD5250-D24

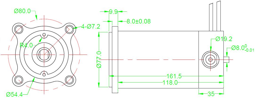
JBSD5250-D24

用途:

主要用于代步车、老人车等

产品介绍:

产品详情


备注:电机性能可以根据客户要求进行设计

Motor voltage, power and speed will be customized according to your request under the allowed circumstance of adoptable  dimension.